切れ味のカナメは砥ぎ!
切れ味を追求した鏡面砥ぎをぜひ見て欲しいので、
BTMTルータービットは、実際の製品をそのまま写真に撮って紹介しています。
切れ味を追求した鏡面砥ぎをぜひ見て欲しいので、
BTMTルータービットは、実際の製品をそのまま写真に撮って紹介しています。
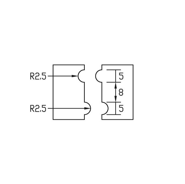
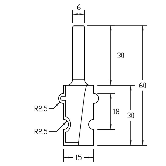
| 刃径 | 刃長 | 軸径 | 軸長 | 半径 | 角度 | ベアリング径 |
|---|---|---|---|---|---|---|
| 20mm | 30mm | 6mm | 30mm | R2.5mm | ― | ― |
ユニークな断面で魅せる、板はぎビットとして
こんな板はぎも…

この加工例は厚さ(高さ)約22mmの材料の側面を、このビットで削ったものです。
側面には、盛り上がった半円形の玉縁と、同じサイズの丸溝が1回で削り出されます。
2つの材料を同じように削り、一方をひっくり返すと、
玉縁と丸溝がピッタリ噛み合うようになっています。
たとえば、板接ぎ(いたはぎ)をする材料の木端面をこのビットで削れば、
接着する時にズレにくくなります。
また、木口面にユニークな模様を見せるのも面白いと思いませんか。
フレキシブルなジョイントもできる

玉縁ビットで、材料の木端をそれぞれ「半丸」と「丸溝」に加工することで、
材料どうしの接合角度を、あとから微調整しながら接着することができます。
海外には「カヌービット」と呼ばれる専用ビットもあるようです。
カヌーは、たくさんの板を微妙な角度で接合して作られていますが、
このビットも、いわばカヌービットとして使えます!

使用する材料は、厚さ5mm。
1本のビットで「半丸」と「丸溝」の両方が加工できるビットになっています。
まずビットの上部で、半丸に加工。

続いてビットの下部で、反対側を丸溝に加工します。
どちらも材料をルーターテーブルに寝かした状態で切削するので、安定して送材しやすいです。

この玉縁ビットを使ったジョイントは、接合角度が微調整できるので、
通常の多角形ジョイントのように、形状に応じて特定の角度に加工する必要がありません。
円形はもちろん、楕円形や不定形の器、それこそ船体のように曲率の変化のある器にチャレンジすることもできます。
ぜひお試しください!
こんな板はぎも…

この加工例は厚さ(高さ)約22mmの材料の側面を、このビットで削ったものです。
側面には、盛り上がった半円形の玉縁と、同じサイズの丸溝が1回で削り出されます。
2つの材料を同じように削り、一方をひっくり返すと、
玉縁と丸溝がピッタリ噛み合うようになっています。
たとえば、板接ぎ(いたはぎ)をする材料の木端面をこのビットで削れば、
接着する時にズレにくくなります。
また、木口面にユニークな模様を見せるのも面白いと思いませんか。
フレキシブルなジョイントもできる
玉縁ビットで、材料の木端をそれぞれ「半丸」と「丸溝」に加工することで、
材料どうしの接合角度を、あとから微調整しながら接着することができます。
海外には「カヌービット」と呼ばれる専用ビットもあるようです。
カヌーは、たくさんの板を微妙な角度で接合して作られていますが、
このビットも、いわばカヌービットとして使えます!
使用する材料は、厚さ5mm。
1本のビットで「半丸」と「丸溝」の両方が加工できるビットになっています。
まずビットの上部で、半丸に加工。
続いてビットの下部で、反対側を丸溝に加工します。
どちらも材料をルーターテーブルに寝かした状態で切削するので、安定して送材しやすいです。
この玉縁ビットを使ったジョイントは、接合角度が微調整できるので、
通常の多角形ジョイントのように、形状に応じて特定の角度に加工する必要がありません。
円形はもちろん、楕円形や不定形の器、それこそ船体のように曲率の変化のある器にチャレンジすることもできます。
ぜひお試しください!






